Skip to main content

The HD Zoom SeaCam has a 30x optical zoom capability, faceplate illumination of 0.024 Lux, and high-quality HD-SDI 1080p/30 video output. Options include a titanium or an aluminum housing.

This subsea camera has up to a 6,000 m depth rating with the titanium housing and weighs as little as 0.62 kg in water with the aluminum housing. FleXlink® or coax transmission methods are available.

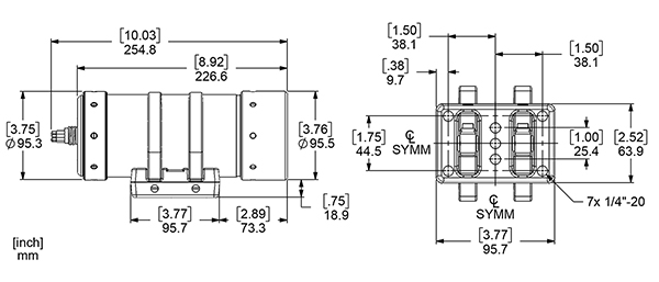
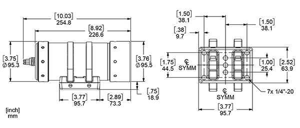
The HD Zoom SeaCam includes a mounting bracket with titanium inserts.

 

Key Features

The HD Zoom SeaCam features:

  • HD 30x optical zoom
  • Full 1080p/30 output over FleXlink®, fiber, or coax
  • Faceplate illumination of 0.024 Lux
  • Up to a 6,000 m depth rating
  • Available in a titanium or an aluminum housing

 

Resources:

 Data Sheet

 User Guide

 Product Drawings

 FleXlink™ White Paper

  

 

Related Products:

 

 

Go Back