Print View

Your printed page will look something like this.

https://www.subseatechnologies.com/deepsea-power-and-light/cameras/super-widei-seacam/

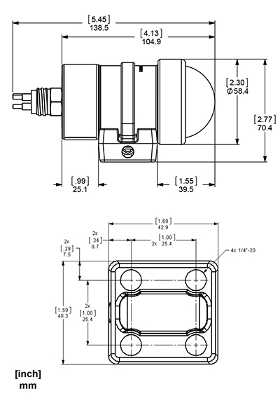
Super Wide-i SeaCam®

The Super Wide-i SeaCam has an impressive 150° HFOV in water with no vignetting. 

The standard model features a dome port and has a 6,000 m depth rating. Options include an 11,000 m depth rating and a titanium housing.

The Super Wide-i SeaCam includes a mounting bracket with titanium inserts.

 

Key Features

The Super Wide-i SeaCam features:

  • Extreme wide angle of 150° HFOV
  • No vignetting
  • Up to 11,000 m depth rating

 

Resources:

 Data Sheet

 User Guide

 Product Drawings

  

 

Related Products:

 

 

Go Back